LillyAllenDesigns
Jasminsmagicworld
BarkalooDesign
Artiststas
AdoDesignShop
JahusDesignShop
BundleAndBundleShop
HRA Design Shop
FaDigitalArtStudio
Enoddigitalart@gmail.com
Afrowomandigitalshop@gmail.com
OliviaCreatesArt
CowGirlArtShop
HowdyJamesFarm
TumblerDesignByShophia
RanaPortraitStore
CTS Tumbler Store
Zillion Design Studio
NancyCooperArtShop
Texasbilliewilder
MaliasSmallBusiness
Muks_Shop
Rvexell
NReaL
Oittostudio
Nteklah
Melllux
PUBLICTEES
Gear_desain
Erdiyan
C
Any guesses model or age Seller said GT5000. Has Kohler 27hp pro hydro and is fairly beefy for a lawnmower. Mangled ID sticker and replacement hood no model sticker though. r lawnmowers Very well made.
2004 Craftsman GT5000 V Belts Removal Replacement Part 2 THE BELTS AND BRACKET Very well made.
Craftsman GT5000 Kohler CV730S Need engine assembly info. Tractor Forum Very well made.
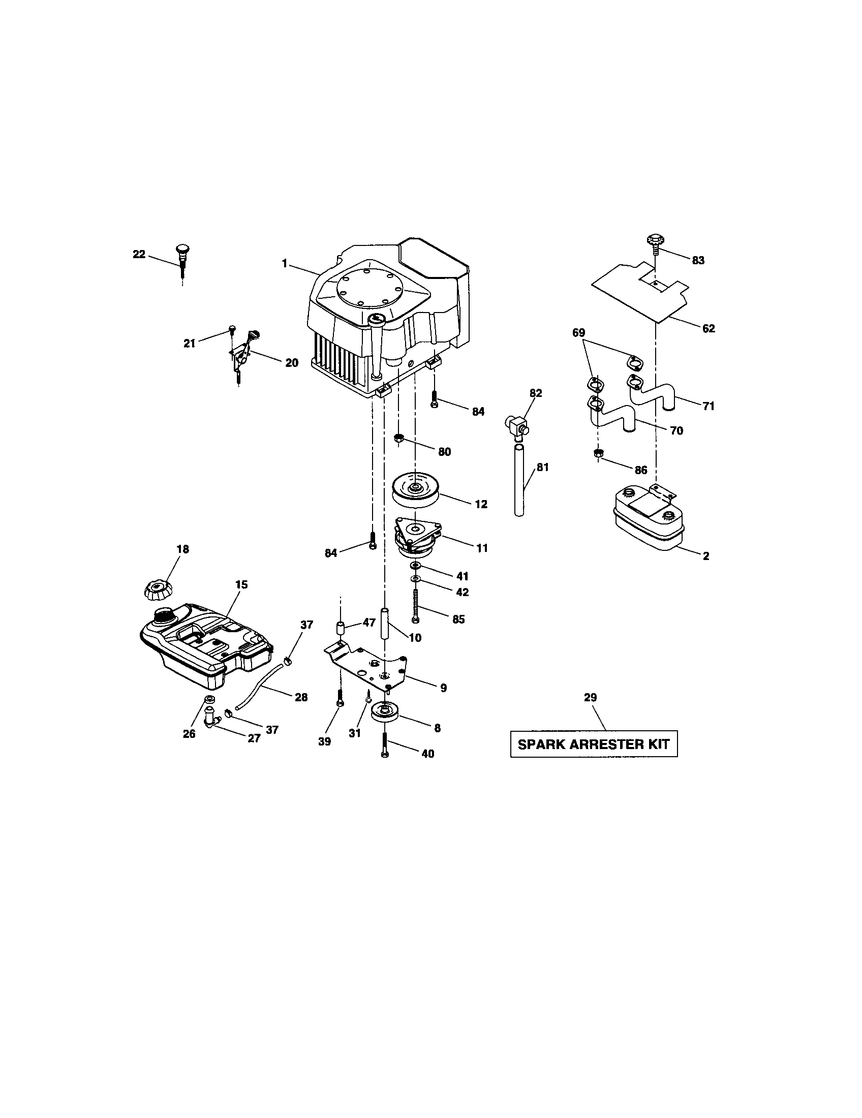
Official Craftsman 917276360 front engine lawn tractor parts Sears PartsDirect Very well made.